Kombainu rezerves daļas
Salmu smalcināšanas nazis 197x50x3 (28.801.402-0017 1601.8726 Z59020 D49.018.300)
€340Summa bez PVN 2.81 €
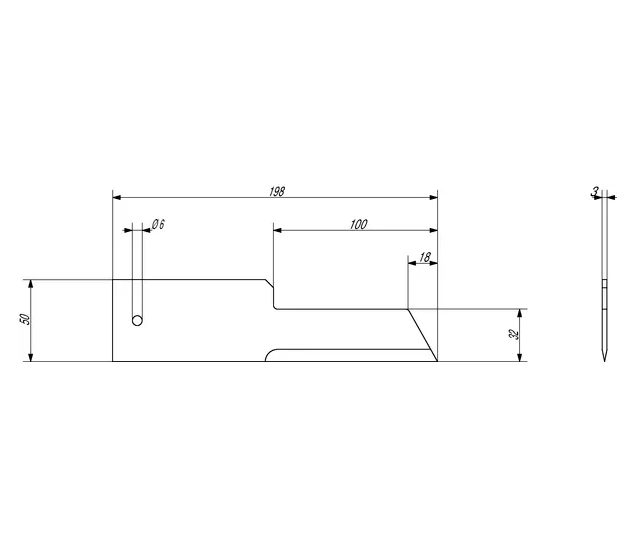
- Biezums3 mm
- Garums197 mm
- Platums50 mm
Preču cena norādīta ar iekļautu PVN 21%.
Norādītā cena ir spēkā, pasūtot preci 05.12.2025.
Norādītā cena ir spēkā, pasūtot preci 05.12.2025.
Platums - 50 mm
Biezums - 3 mm
Garums - 197 mm
Urbuma diametrs - 6,5 mm
Oriģinālā numura ekvivalents
28.801.402-0017
1601.8726
Z59020
D49.018.300




